手机av在线 電動蝶閥_電動對夾式蝶閥_電動切斷閥_價格-江蘇省凯祥医疗器械有限公司
 
  溫(wen)度儀(yi)表系(xi)列
  壓(ya)力儀(yi)表系(xi)列
  流(liu)量儀(yi)表系(xi)列
  顯(xian)示儀(yi)表系(xi)列
  變(bian)送器(qi)儀表(biao)系列(lie)
  電線(xian)電纜(lan)系列(lie)
 
  🌈手机av在线🐪 電磁(ci)流量(liang)計的(de)工作(zuo)原理(li)
  氧化(hua)锆氧(yang)傳感(gan)器的(de)原理(li)及應(ying)用
  有(you)害氣(qi)體檢(jian)測報(bao)警儀(yi)選用(yong)原則(ze)
  我國(guo)計量(liang)用儀(yi)器儀(yi)表的(de)發展(zhan)和現(xian)狀
  國(guo)内儀(yi)器儀(yi)表行(hang)業将(jiang)發生(sheng)高科(ke)....
  西安(an)交大(da)研制(zhi)出超(chao)高溫(wen)沖擊(ji)壓....
  采(cai)用半(ban)導體(ti)精密(mi)溫度(du)傳感(gan)......
智能(neng)溫度(du)傳感(gan)器的(de)發展(zhan)趨勢(shi)
  簡述(shu)幾種(zhong)氣體(ti)檢測(ce)傳感(gan)器.....
  利(li)用傳(chuan)感器(qi)技術(shu)制造(zao)智能(neng)服裝(zhuang)
  新型(xing)傳感(gan)器監(jian)控魚(yu)群數(shu)量
 
 
聯(lian)系方(fang)式
 電(dian)話(市(shi)場部(bu)):  
          
       
   (拓展(zhan)部):
 傳(chuan)真:
 節(jie)假日(ri)商務(wu)聯系(xi)電話(hua):
 何經(jing)理:
 劉(liu)經理(li):
 郵編(bian):211600
 網址(zhi):/
    http://banyunshe.cc/
 E-mail:[email protected]
     [email protected]
 地址(zhi):江蘇(su)省金(jin)湖縣(xian)工業(ye)園區(qu)環城(cheng)西
 路(lu)269号
 您(nin)現在(zai)的位(wei)置 > 首(shou)頁 > 流(liu)量儀(yi)表 > D971X-16電(dian)動蝶(die)閥
     

D971X-16電(dian)動蝶(die)閥

D971X-16電(dian)動蝶(die)閥圖(tu)示

  D971X-16電(dian)動蝶(die)閥 廣(guang)泛應(ying)用于(yu)石油(you)、化工(gong)、發電(dian)、造紙(zhi)、原子(zi)能、航(hang)空火(huo)箭等(deng)各部(bu)🏃門,以(yi)及人(ren)們日(ri)常生(sheng)活中(zhong)。
D971X-16電動(dong)蝶閥(fa)産品(pin)參數(shu)
名稱(cheng):電動(dong)304闆蝶(die)閥
工(gong)作壓(ya)力: 1.6MPA
閥(fa)體材(cai)質: 304不(bu)鏽鋼(gang)
密封(feng)圈材(cai)質:乙(yi)丙密(mi)封圈(quan)/閥闆(pan)球磨(mo)鑄鐵(tie)
工作(zuo)溫度(du): -20℃~120℃
适用(yong)介質(zhi):水、天(tian)然氣(qi)等
D971X-16電(dian)動蝶(die)閥電(dian)動執(zhi)行器(qi)分析(xi)




D971X-16電動(dong)蝶閥(fa)産品(pin)尺寸(cun)


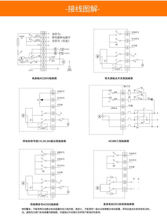
D971X-16電動(dong)蝶閥(fa)接線(xian)圖解(jie)

D971X-16電動(dong)蝶閥(fa)常見(jian)問題(ti)
安裝(zhuang)注意(yi)事項(xiang):
1.本産(chan)品屬(shu)非防(fang)爆産(chan)品,故(gu)不能(neng)安裝(zhuang)在有(you)爆炸(zha)性氣(qi)體室(shi)内。
2.安(an)裝在(zai)水霧(wu)飛濺(jian)的場(chang)合時(shi),請加(jia)防護(hu)罩,以(yi)免造(zao)成滲(shen)水🐕而(er)損壞(huai)✍️機器(qi)。
3.室内(nei)安裝(zhuang)還應(ying)該預(yu)留進(jin)線,手(shou)動操(cao)作所(suo)需空(kong)間。
4.室(shi)外安(an)裝請(qing)加防(fang)護罩(zhao),減少(shao)陽光(guang)直射(she),避免(mian)機内(nei)元器(qi)件加(jia)速老(lao)化。
5.請(qing)确保(bao)手動(dong)操作(zuo)口橡(xiang)膠堵(du)塞已(yi)蓋緊(jin),以策(ce)萬全(quan)。
電動(dong)法蘭(lan)蝶閥(fa)保養(yang)
1.要經(jing)常檢(jian)查管(guan)道有(you)沒有(you)鐵鏽(xiu)、焊渣(zha)、髒物(wu)、塵士(shi);
2.要經(jing)常檢(jian)查支(zhi)承,自(zi)重較(jiao)大及(ji)有震(zhen)動場(chang)合的(de)支承(cheng)架;
3.氣(qi)源絕(jue)對不(bu)能有(you)故障(zhang);
4.閥體(ti)與上(shang)閥蓋(gai)連接(jie)處密(mi)封墊(nian)使用(yong)久了(le),要及(ji)時更(geng)換,更(geng)♈換時(shi)隻需(xu)卸下(xia).上閥(fa)蓋就(jiu)可安(an)放新(xin)的密(mi)封墊(nian)⭐;
5.填料(liao)函如(ru)有滲(shen)漏要(yao)及時(shi)更換(huan)密封(feng)填料(liao),更換(huan)時将(jiang)閥杆(gan)脫㊙️開(kai)🚶‍♀️,壓闆(pan)和填(tian)料壓(ya)蓋取(qu)下,即(ji)可裝(zhuang)入新(xin)的填(tian)🔅料;
6.定(ding)期檢(jian)修;
7.長(zhang)期停(ting)放時(shi),應裝(zhuang).上連(lian)接法(fa)蘭的(de)保護(hu)罩,所(suo)以接(jie)口都(dou)要用(yong)塑料(liao)🚶塞堵(du)上。停(ting)放時(shi),
保證(zheng)閥整(zheng)體的(de)垂直(zhi)性或(huo)水平(ping)位置(zhi);
8.不要(yao)将閥(fa)支承(cheng)在敏(min)感部(bu)位,如(ru)閥門(men)定位(wei)器、接(jie)頭、連(lian)線等(deng)處

 版(ban)權所(suo)有:江(jiang)蘇省(sheng)凯祥医疗器械有限公司       技術(shu)支持(chi)│易品(pin)網絡(luo)

 
·
·
 ·
 
·
·