日本A级视频在线播放 同軸導波雷達物位計-江蘇省凯祥医疗器械有限公司
                   
          首(shou)   頁  公(gong)司簡(jian)介  産(chan)品中(zhong)心  質(zhi)量體(ti)系  銷(xiao)售網(wang)絡  聯(lian)系我(wo)們
 
  溫(wen)度儀(yi)表系(xi)列
  壓(ya)力儀(yi)表系(xi)列
  流(liu)量儀(yi)表系(xi)列
  校(xiao)驗儀(yi)表系(xi)列
  變(bian)送器(qi)儀表(biao)系列(lie)
  電線(xian)電纜(lan)系列(lie)
 
⁉️日本A级视频在线播放🌈 電磁(ci)流量(liang)計的(de)工作(zuo)原理(li)
 
  有(you)害氣(qi)體檢(jian)測報(bao)警儀(yi)選用(yong)原則(ze)
  我國(guo)計量(liang)用儀(yi)器儀(yi)表的(de)發展(zhan)和現(xian)狀
  采(cai)用半(ban)導體(ti)精密(mi)溫度(du)傳感(gan)......
  智能(neng)溫度(du)傳感(gan)器的(de)發展(zhan)趨勢(shi)
  簡述(shu)幾種(zhong)氣體(ti)檢測(ce)傳感(gan)器.....
利(li)用傳(chuan)感器(qi)技術(shu)制造(zao)智能(neng)服裝(zhuang)
  新型(xing)傳感(gan)器監(jian)控魚(yu)群數(shu)量
   
聯(lian)系方(fang)式
 電(dian)話(市(shi)場部(bu)):  
       
   (拓展(zhan)部):
 傳(chuan)真:
 節(jie)假日(ri)商務(wu)聯系(xi)電話(hua):
 何經(jing)理:
 劉(liu)經理(li):
 郵編(bian):211600
 網址(zhi):/
 E-mail:[email protected]
     [email protected]
   

SKGW53同(tong)軸導(dao)波雷(lei)達物(wu)位計(ji)

同軸(zhou)導波(bo)雷達(da)物位(wei)計産(chan)品圖(tu)

測量(liang)原理(li)
  SKGW53同軸(zhou)導波(bo)雷達(da)物位(wei)計 是(shi)基于(yu)時間(jian)行程(cheng)原理(li)的測(ce)量儀(yi)表,雷(lei)達波(bo)以光(guang)速運(yun)行,運(yun)行🌈時(shi)🈲間可(ke)以通(tong)過電(dian)子部(bu)件被(bei)轉換(huan)成物(wu)位信(xin)号。探(tan)頭發(fa)出高(gao)頻脈(mo)沖并(bing)沿纜(lan)繩傳(chuan)播,當(dang)脈沖(chong)遇到(dao)物料(liao)表面(mian)時反(fan)射回(hui)來被(bei)儀表(biao)内的(de)接收(shou)器接(jie)收,并(bing)将距(ju)離信(xin)号轉(zhuan)化成(cheng)物位(wei)信号(hao)。
SKGW53同軸(zhou)導波(bo)雷達(da)物位(wei)計參(can)數
應(ying)  用:介(jie)電常(chang)數低(di)或表(biao)面波(bo)動液(ye)體
測(ce)量範(fan)圍: 6m
過(guo)程連(lian)接:螺(luo)紋、法(fa)蘭
介(jie)質溫(wen)度:-40~150℃
過(guo)程壓(ya)力:-0.1~4.0Mpa
精(jing)  度:±10mm
防(fang)爆等(deng)級:Exd IIBT4 Gb
防(fang)護等(deng)級:IP67
信(xin)号輸(shu)出:4~20mA/HART(兩(liang)線/四(si)線)
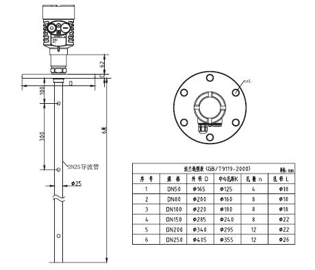
SKGW53同(tong)軸導(dao)波雷(lei)達物(wu)位計(ji)外型(xing)尺寸(cun)圖
同(tong)軸導(dao)波雷(lei)達物(wu)位計(ji)外型(xing)尺寸(cun)圖
SKGW53同(tong)軸導(dao)波雷(lei)達物(wu)位計(ji)安裝(zhuang)圖
同(tong)軸導(dao)波雷(lei)達物(wu)位計(ji)安裝(zhuang)圖
SKGW53同(tong)軸導(dao)波雷(lei)達物(wu)位計(ji)選型(xing)
單元(yuan)

參數(shu)

防爆(bao)

P标準(zhun)型(非(fei)防爆(bao))
I隔爆(bao)型(Exd II BT4 Gb)

傳(chuan)感器(qi)/棒式(shi)探頭(tou)

A 同軸(zhou)外徑(jing)Φ28mm

過程(cheng)連接(jie)/材料(liao)

GA G1A/螺紋(wen) 不鏽(xiu)鋼
NA 1NPT螺(luo)紋 不(bu)鏽鋼(gang)
C 法蘭(lan)DN50 PN16C 不鏽(xiu)鋼
D 法(fa)蘭DN80 PN16C 不(bu)鏽鋼(gang)
E 法蘭(lan)DN100 PN16C 不鏽(xiu)鋼
F 法(fa)蘭DN150 PN16C 不(bu)鏽鋼(gang)
H 法蘭(lan)DN200 PN16C 不鏽(xiu)鋼
K 法(fa)蘭DN250 PN16C 不(bu)鏽鋼(gang)
Y特殊(shu)定制(zhi)

密封(feng)/過程(cheng)溫度(du)

P 普通(tong)密封(feng)/-40…150℃

3 (4~20)mA/24VDC/HART兩線(xian)制
4 (4~20)mA/(-24)VDC /HART四(si)線制(zhi)
5 (4~20)mA/(-220)VAC /HART四線(xian)制

L 鋁(lü)/IP67
G 不鏽(xiu)鋼304/IP67

電(dian)纜進(jin)線

M M20*1.5
N 1/2NPT

特(te)殊約(yue)定

Y 特(te)殊定(ding)制

相(xiang)關産(chan)品推(tui)薦: 杆(gan)式導(dao)波雷(lei)達物(wu)位計(ji) ; 防腐(fu)導波(bo)雷達(da)物位(wei)計 ; 纜(lan)式導(dao)波雷(lei)達物(wu)位計(ji) ; 高溫(wen)導波(bo)雷達(da)物位(wei)計 ; 雙(shuang)纜導(dao)波雷(lei)達物(wu)位計(ji) ;



 版權(quan)所有(you):江蘇(su)省凯祥医疗器械有限公司       技(ji)術支(zhi)持│易(yi)品網(wang)絡

·
·
 
 
·