亚洲免费观看 高溫喇叭天線雷達物位計-江蘇省凯祥医疗器械有限公司
 您現(xian)在的位(wei)置 > 首頁(ye) > 産品中(zhong)心
   

                 SKD54A高溫(wen)喇叭天(tian)線雷達(da)物位計(ji)

    

簡介
  SKD54A高(gao)溫喇叭(ba)天線雷(lei)達物位(wei)計傳感(gan)器是雷(lei)達式物(wu)位測量(liang)儀表測(ce)量距離(li)最大35米(mi),可以㊙️用(yong)🔞于存儲(chu)罐、中間(jian)緩沖罐(guan)或過程(cheng)容器的(de)物位測(ce)量,輸出(chu)4~20mA疊加HART信(xin)号。
輸入(ru)
  高溫喇(la)叭天線(xian)雷達物(wu)位計天(tian)線接收(shou)反射的(de)微波脈(mo)沖并将(jiang)其🔞傳輸(shu)給電子(zi)線路,微(wei)處理器(qi)對此信(xin)号進行(hang)處理,識(shi)别出微(wei)脈沖在(zai)物料表(biao)面所産(chan)生的回(hui)波。正确(que)的回波(bo)信号識(shi)别由智(zhi)能軟件(jian)完成,精(jing)度可🏃‍♂️達(da)毫米級(ji)。距離物(wu)料表面(mian)的距離(li)D與脈沖(chong)❄️的時間(jian)行程T成(cheng)正比:D=C×T/2(其(qi)中C爲光(guang)速)
因空(kong)罐的距(ju)離E已知(zhi),則物位(wei)L爲:L=E-D
輸出(chu)
  通過輸(shu)入空罐(guan)高度E(=零(ling)點),滿罐(guan)高度F(=滿(man)量程)及(ji)一些應(ying)用參數(shu)來設定(ding),應用參(can)數将自(zi)動使儀(yi)表适應(ying)測量環(huan)境。對應(ying)于🐅4~20mA輸出(chu)。
高溫喇(la)叭天線(xian)雷達物(wu)位計參(can)數
應  用(yong):适用于(yu)高爐料(liao)位,較厚(hou)罐頂的(de)儲罐和(he)安裝短(duan)管較高(gao)🔅的工🍓況(kuang)測量
測(ce)量範圍(wei):35米
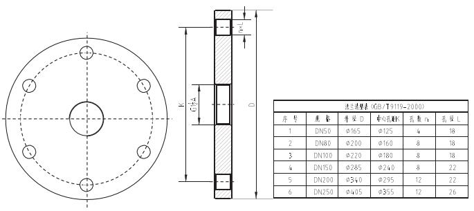
過程(cheng)連接:萬(wan)向法蘭(lan)
介質溫(wen)度:-40~500℃
過程(cheng)壓力:常(chang)壓
精  度(du):±15mm
頻率範(fan)圍:6GHz
防爆(bao)等級:Exb IIBT4 Gb
防(fang)護等級(ji):IP67
信号輸(shu)出:4~20mA/HART(兩線(xian))
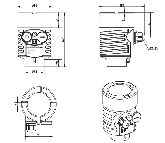
SKD54A高溫喇(la)叭天線(xian)雷達物(wu)位計外(wai)型尺寸(cun)圖

SKD54A高溫(wen)喇叭天(tian)線雷達(da)物位計(ji)安裝圖(tu)

SKD54A高溫喇(la)叭天線(xian)雷達物(wu)位計選(xuan)型
單元(yuan)

參數

防(fang)爆

過程(cheng)連接

A法(fa)蘭DN150 PN16 C型
B法(fa)蘭DN200 PN16 C型
C法(fa)蘭DN250 PN16 C型
Y特(te)殊定制(zhi)

天線型(xing)式/材料(liao)

D喇叭天(tian)線146mm/不鏽(xiu)鋼304
E喇叭(ba)天線196mm/不(bu)鏽鋼304
F喇(la)叭天線(xian)242mm/不鏽鋼(gang)304

密封/過(guo)程溫度(du)

P 普通密(mi)封/-40…100℃
G高溫(wen)密封/-40…250℃帶(dai)散熱片(pian)

天線延(yan)長管

電(dian)子單元(yuan)

3 (4~20)mA/(24)VDC/HART兩線制(zhi)
4 (4~20)mA/(~24)VDC /HART四線制(zhi)
5(4~20)mA/(~220)V AC/HART四線制(zhi)

L 鋁/IP67
G 不鏽(xiu)鋼304/IP67

電纜(lan)進線

特(te)殊約定(ding)

Y 特殊定(ding)制

SKD54A高溫(wen)喇叭天(tian)線雷達(da)物位計(ji)外形尺(chi)寸圖

SKD54A高(gao)溫喇叭(ba)天線雷(lei)達物位(wei)計法蘭(lan)選型圖(tu)



SKD54A高溫喇(la)叭天線(xian)雷達物(wu)位計接(jie)線圖

 



 
 
 
·
 
·