中文字幕视频在线观看 雷達物位計_雷達料位計_廠家_價格-江蘇省凯祥医疗器械有限公司
                 
               
         首(shou)  頁  公(gong)司簡(jian)介  産(chan)品中(zhong)心  質(zhi)理體(ti)系  銷(xiao)售網(wang)絡  聯(lian)系我(wo)們
 
  電磁(ci)流量(liang)計的(de)工作(zuo)原理(li)
 
  有(you)害氣(qi)體檢(jian)測報(bao)警儀(yi)選用(yong)原則(ze)
 
  采(cai)用半(ban)導體(ti)精密(mi)溫度(du)傳感(gan)......
  智能(neng)溫度(du)傳感(gan)器的(de)發展(zhan)趨勢(shi)
  簡述(shu)幾種(zhong)氣體(ti)檢測(ce)傳感(gan)器.....
  利(li)用傳(chuan)感器(qi)技術(shu)制造(zao)智能(neng)服裝(zhuang)
  新型(xing)傳感(gan)器監(jian)控魚(yu)群數(shu)量
   
 
 電(dian)話(市(shi)場部(bu)):  
       
        
   (拓展(zhan)部):
 傳(chuan)真:
 節(jie)假日(ri)商務(wu)聯系(xi)電話(hua):
 何經(jing)理:
 劉(liu)經理(li):
 郵編(bian):211600
    http://banyunshe.cc/
 E-mail:[email protected]
     [email protected]
 地址(zhi):江蘇(su)省金(jin)湖縣(xian)工業(ye)園區(qu)環城(cheng)西
 路(lu)269号
 您(nin)現在(zai)的位(wei)置 > 首(shou)頁 > 産(chan)品中(zhong)心
     

SKD800系(xi)列雷(lei)達物(wu)位計(ji)

測量(liang)原理(li)
  SKD800系列(lie)雷達(da)物位(wei)計 是(shi)将發(fa)射能(neng)量很(hen)低的(de)極短(duan)的微(wei)波脈(mo)沖通(tong)過天(tian)線☔系(xi)統📧發(fa)射并(bing)接收(shou)。雷達(da)波以(yi)光速(su)運行(hang)。運行(hang)時間(jian)可以(yi)通過(guo)電㊙️子(zi)部件(jian)被轉(zhuan)換成(cheng)物位(wei)信号(hao)。一種(zhong)時間(jian)延伸(shen)方法(fa)🏃‍♀️可以(yi)确保(bao)短時(shi)間内(nei)穩定(ding)和正(zheng)🐅确的(de)測量(liang)。SKD800系✏️列(lie)雷達(da)物位(wei)計即(ji)使在(zai)工況(kuang)比較(jiao)複雜(za),存✏️在(zai)虛假(jia)回⭐波(bo)的情(qing)況下(xia),其用(yong)微處(chu)理和(he)調試(shi)軟件(jian)🚶‍♀️也可(ke)以分(fen)析出(chu)物位(wei)的回(hui)波。

輸(shu)入
  天(tian)線接(jie)收反(fan)射的(de)微波(bo)脈沖(chong)并将(jiang)其傳(chuan)輸給(gei)電子(zi)線路(lu),微處(chu)理器(qi)對此(ci)信号(hao)進行(hang)處理(li),識别(bie)出微(wei)脈沖(chong)在物(wu)料表(biao)面所(suo)産生(sheng)的回(hui)波。正(zheng)确的(de)回波(bo)信号(hao)識别(bie)由智(zhi)能軟(ruan)件完(wan)成,精(jing)度可(ke)達到(dao)毫米(mi)級。距(ju)離物(wu)料表(biao)面💞的(de)距離(li)D與脈(mo)沖的(de)時間(jian)行程(cheng)T成正(zheng)比:
D=C×T/2
其(qi)中C爲(wei)光速(su)
因空(kong)罐的(de)距離(li)E已知(zhi),則物(wu)位L爲(wei):
L=E-D
輸出(chu)
  通過(guo)輸入(ru)空罐(guan)高度(du)E(=零點(dian)),滿罐(guan)高度(du)F(=滿量(liang)程)及(ji)一些(xie)應用(yong)參數(shu)來設(she)定,應(ying)用參(can)數将(jiang)自動(dong)使儀(yi)表适(shi)應測(ce)量環(huan)境。對(dui)應于(yu)4-20mA輸出(chu)。
應用(yong)介質(zhi):
  SKD800系列(lie)雷達(da)物位(wei)計适(shi)用于(yu)對液(ye)體、漿(jiang)料及(ji)顆粒(li)料的(de)物位(wei)進行(hang)🏒非接(jie)觸式(shi)連續(xu)測量(liang),适用(yong)于溫(wen)度、壓(ya)力變(bian)👨‍❤️‍👨化大(da)💜;有惰(duo)性氣(qi)體及(ji)㊙️揮發(fa)存在(zai)的場(chang)合。
采(cai)用微(wei)波脈(mo)沖的(de)測量(liang)方法(fa),并可(ke)在工(gong)業頻(pin)率波(bo)段範(fan)圍内(nei)正常(chang)工作(zuo)。波束(shu)能量(liang)較低(di),可安(an)裝于(yu)各種(zhong)金屬(shu)、非金(jin)屬容(rong)器或(huo)管道(dao)内,對(dui)人體(ti)及環(huan)境均(jun)無傷(shang)害🤞。
産(chan)品簡(jian)介:

SKD800 系(xi)列智(zhi)能雷(lei)達物(wu)位儀(yi)表

SKD801

SKD802

SKD803

應(ying) 用

過(guo)程條(tiao)件簡(jian)單,腐(fu)蝕性(xing)的液(ye)體、漿(jiang)料、固(gu)體
比(bi)如:
水(shui)液儲(chu)罐
酸(suan)堿儲(chu)罐
漿(jiang)料儲(chu)罐
固(gu)體顆(ke)粒
小(xiao)型儲(chu)油罐(guan)

存儲(chu)或過(guo)程容(rong)器腐(fu)蝕性(xing)的液(ye)體、漿(jiang)料、固(gu)體
比(bi)如:
水(shui)液儲(chu)罐
酸(suan)堿儲(chu)罐
漿(jiang)料儲(chu)罐
固(gu)體顆(ke)粒
小(xiao)型儲(chu)油罐(guan)

适應(ying)各種(zhong)存儲(chu)容器(qi)或過(guo)程計(ji)量環(huan)境,液(ye)體、漿(jiang)料、固(gu)體♉
比(bi)如: 原(yuan)油、輕(qing)油儲(chu)罐
原(yuan)煤、粉(fen)煤倉(cang)位
揮(hui)發性(xing)液體(ti)儲罐(guan)
焦碳(tan)料位(wei)
漿料(liao)儲罐(guan)
固體(ti)顆粒(li)

測 量(liang) 範 圍(wei)

20米

20米(mi)

35米

過(guo) 程 連(lian) 接

螺(luo)紋

法(fa)蘭

法(fa)蘭

過(guo) 程 溫(wen) 度

-40-130℃

-40-150℃

-40-250℃

過(guo) 程 壓(ya) 力

-1.0-3bar

-1.0-40bar

重(zhong) 複 性(xing)

± 3mm

± 3mm

± 3mm

精 度(du)

< 0.1%

< 0.1%

< 0.1%

防爆(bao)/防護(hu)等級(ji)

EXiaIICT6/IP68

EXiaIICT6/IP68

EXiaIICT6/IP68

信 号(hao) 輸 出(chu)

4…20mA/HART(兩線(xian))

4…20mA/HART兩線(xian))

4…20mA/HART(兩線(xian))

安裝(zhuang)指南(nan)

安裝(zhuang)說明(ming)
  1. 推薦(jian)距離(li)(1)牆至(zhi)安裝(zhuang)短管(guan)的外(wai)壁:
  2. 離(li)罐壁(bi)爲罐(guan)直徑(jing)1/6處,最(zui)小距(ju)離爲(wei)200mm。
  3. 不能(neng)安裝(zhuang)在入(ru)料口(kou)的上(shang)方(4)。
  4. 不(bu)能安(an)裝在(zai)中心(xin)位置(zhi)(3),如果(guo)安裝(zhuang)在中(zhong)央,會(hui)産生(sheng)多🎯重(zhong)⚽虛假(jia)回波(bo),幹擾(rao)回波(bo)會導(dao)緻信(xin)号丢(diu)失。
  5. 如(ru)果不(bu)能保(bao)持儀(yi)表與(yu)罐壁(bi)的距(ju)離,罐(guan)壁上(shang)的介(jie)質會(hui)黏附(fu)🚶‍♀️造成(cheng)虛假(jia)回波(bo),在調(diao)試儀(yi)表的(de)時候(hou)應該(gai)進行(hang)虛假(jia)回波(bo)存儲(chu)。

 

 

罐内(nei)安裝(zhuang)

  1. 在信(xin)号波(bo)束内(nei),應避(bi)免有(you)如下(xia)安裝(zhuang)物(1):例(li)如限(xian)位開(kai)關,溫(wen)度傳(chuan)💃🏻感🔞器(qi)等。
  2. 對(dui)稱裝(zhuang)置(2),如(ru)真空(kong)環,加(jia)熱線(xian)圈,擋(dang)闆等(deng)等。
  3. 如(ru)果罐(guan)内有(you)(1)(2)幹涉(she)物件(jian),應采(cai)用導(dao)波管(guan)進行(hang)測量(liang)。

最佳(jia)安裝(zhuang)選擇(ze)

  1. 天線(xian)尺寸(cun):天線(xian)越大(da),波束(shu)角越(yue)小,幹(gan)擾回(hui)波将(jiang)越弱(ruo)。
  2. 天線(xian)調整(zheng):将天(tian)線調(diao)整到(dao)最佳(jia)測量(liang)位置(zhi)。
  3. 導波(bo)管:導(dao)波管(guan)用來(lai)避免(mian)幹擾(rao)回波(bo)。

罐内(nei)安裝(zhuang)(SKD801 、SKD802
标準(zhun)安裝(zhuang)

  1. 雷達(da)天線(xian)不可(ke)向罐(guan)壁傾(qing)斜。
  2. 爲(wei)了使(shi)溫度(du)影響(xiang)最小(xiao)化,在(zai)對接(jie)法蘭(lan)的連(lian)接處(chu)必須(xu)使用(yong)彈簧(huang)墊圈(quan)。
  3. 杆式(shi)天線(xian)必須(xu)伸出(chu)安裝(zhuang)短管(guan)。
  4. 垂直(zhi)放置(zhi)杆式(shi)天線(xian),不要(yao)讓雷(lei)達束(shu)指向(xiang)罐壁(bi)。

 

罐内(nei)安裝(zhuang)(SKD803
标準(zhun)安裝(zhuang)

  1. 喇(la)叭天(tian)線必(bi)須延(yan)伸出(chu)安裝(zhuang)短管(guan),否則(ze)應使(shi)用天(tian)線延(yan)伸管(guan)。
  2. 喇叭(ba)天線(xian)必須(xu)調整(zheng)至垂(chui)直,不(bu)要讓(rang)雷達(da)束指(zhi)向罐(guan)壁。

  1. 當(dang)喇叭(ba)長度(du)小于(yu)安裝(zhuang)短管(guan)長度(du)時,應(ying)使用(yong)天線(xian)延伸(shen)💋管。
  2. 如(ru)果喇(la)叭直(zhi)徑大(da)于安(an)裝短(duan)管的(de)直徑(jing),包括(kuo)延伸(shen)管在(zai)内的(de)天🚩線(xian)需要(yao)從容(rong)器裏(li)面安(an)裝,并(bing)将儀(yi)表擡(tai)高✌️。選(xuan)擇延(yan)伸📐管(guan)使儀(yi)表至(zhi)少擡(tai)高100mm。

測量(liang)條件(jian)
注意(yi)事項(xiang)

  1. 測量(liang)範圍(wei)從波(bo)束觸(chu)及罐(guan)低的(de)那一(yi)點開(kai)始計(ji)算,但(dan)在特(te)殊情(qing)💋況下(xia),若罐(guan)低爲(wei)凹型(xing)或錐(zhui)形,當(dang)物位(wei)低于(yu)此點(dian)時無(wu)法進(jin)行測(ce)量。
  2. 若(ruo)介質(zhi)爲低(di)介電(dian)常數(shu)當其(qi)處于(yu)低液(ye)位時(shi),罐低(di)可見(jian),此時(shi)爲保(bao)👌證測(ce)量精(jing)度,建(jian)議将(jiang)零點(dian)定在(zai)低高(gao)度🐕爲(wei)C 的位(wei)置🏃‍♀️。
  3. 對(dui)于過(guo)溢保(bao)護,可(ke)定義(yi)一段(duan)安全(quan)距離(li)附加(jia)在盲(mang)區上(shang)。
  4. 最小(xiao)測量(liang)範圍(wei)與天(tian)線有(you)關。
  5. 随(sui)濃度(du)不同(tong),泡沫(mo)既可(ke)以吸(xi)收微(wei)波,又(you)可以(yi)将其(qi)反射(she),但在(zai)一定(ding)的條(tiao)件下(xia)是可(ke)以進(jin)行測(ce)量的(de)。


測量(liang)範圍(wei)超出(chu)的動(dong)作
當(dang)測量(liang)範圍(wei)超出(chu)時,儀(yi)表輸(shu)出爲(wei)22mA電流(liu)。
接線(xian)方式(shi)

調試(shi)
SKD800可以(yi)通過(guo)三種(zhong)方式(shi)調試(shi):

  1. 通過(guo)顯示(shi)調整(zheng)模塊(kuai)SKPM
  2. 通過(guo)調試(shi)軟件(jian)SKSOFT
  3. 通過(guo)HART手持(chi)編程(cheng)器

現(xian)場編(bian)程模(mo)塊( SKPM

  1. SKPM編(bian)程器(qi)由6個(ge)按鍵(jian)和一(yi)個液(ye)晶顯(xian)示屏(ping),可以(yi)顯示(shi)調整(zheng)菜單(dan)和參(can)數設(she)置。其(qi)功能(neng)相當(dang)于一(yi)個分(fen)析處(chu)理儀(yi)表。


SKPM

 

 

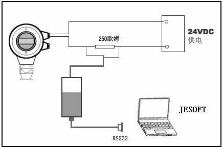
通(tong)過 SKSOFT 軟(ruan)件調(diao)試
無(wu)論那(na)種信(xin)号輸(shu)出,4…20mA/HART,雷(lei)達傳(chuan)感器(qi)都可(ke)以通(tong)過軟(ruan)件進(jin)行調(diao)試。采(cai)用BTSOFT軟(ruan)件進(jin)行儀(yi)表調(diao)試,需(xu)要一(yi)個儀(yi)表CONNECTCAT驅(qu)動器(qi)。


使用(yong)軟件(jian)調試(shi)的時(shi)候,給(gei)雷達(da)儀表(biao)加電(dian)24VDC,同時(shi)在連(lian)接HART适(shi)配器(qi)🌈前端(duan)加一(yi)個250歐(ou)姆的(de)電阻(zu)。如果(guo)一體(ti)式HART電(dian)阻(内(nei)部電(dian)阻250歐(ou)姆)的(de)供電(dian)儀表(biao),就不(bu)需要(yao)附加(jia)外部(bu)電阻(zu),HART适配(pei)器可(ke)以和(he)4…20mA線并(bing)聯。

SKD800 系(xi)列尺(chi)寸


編(bian)程器(qi) 尺寸(cun)

技術(shu)數據(ju):

基本(ben)參數(shu)
工作(zuo)頻率(lü):6.8GHz
波 束(shu) 角: 24°SKD801, SKD802
18°SKD803 帶(dai)DN150法蘭(lan)
14°SKD803 帶DN200法(fa)蘭
12°SKD803 帶(dai)DN250法蘭(lan)
測量(liang)範圍(wei):0…35m
重複(fu)性 :±3mm
分(fen)辨率(lü) :1mm
采樣(yang) :回波(bo)采樣(yang)55次/s
響(xiang)應速(su)度:>0.2s(根(gen)據具(ju)體使(shi)用情(qing)況而(er)定)
電(dian)流信(xin)号:4…20mA
精(jing)度 :<0.1%
天(tian)線材(cai)質  SKD801、SKD802爲(wei)PP/PTFE
SKD803 爲316L不(bu)鏽鋼(gang)
通訊(xun)接口(kou) HART通訊(xun)協議(yi)
過程(cheng)連接(jie) SKD801 (PP,PTFE天線(xian)) :G1-1/2 316L不鏽(xiu)鋼,:
SKD802(棒(bang)式天(tian)線) :翻(fan)邊法(fa)蘭DN50,DN80,DN100,DN150
SKD803(喇(la)叭口(kou)形式(shi)天線(xian)):法蘭(lan)DN50,DN80,DN100,DN150,DN200,DN250
電源(yuan) 電源(yuan):24V DC(+/-10%),波紋(wen)電壓(ya):1Vpp
耗電(dian)量:max22.5mA
環(huan)境條(tiao)件 溫(wen)度:-40℃…+80℃
容(rong)器壓(ya)力(表(biao)壓)-1…40bar
防(fang)爆認(ren)證 ExiaII C T6
外(wai)殼保(bao)護等(deng)級 IP68
兩(liang)線制(zhi)接線(xian) 供電(dian)和信(xin)号輸(shu)出共(gong)用一(yi)根兩(liang)芯導(dao)線
電(dian)纜入(ru)口:2個(ge)M20×1.5(電纜(lan)直徑(jing)5…9mm)

 

 版權(quan)所有(you):江蘇(su)省凯祥医疗器械有限公司       技(ji)術支(zhi)持│易(yi)品網(wang)絡

·
 
·